歡迎來到深圳市91视频免费播放電子有限公司官網!
91视频免费网址

16年專注電子元器件代理服務商銷售91视频在线观看、91视频APP下载IOS、91视频免费网址等產品遍布全球130個國家地區

谘詢熱線138-2353-9691(微信同號)91视频APP下载IOS
關注91视频免费播放,獲取電子元器件新資訊
您的位置: 網站首頁 > 行業資訊 > 揚傑MG25P12E1A IGBT模塊參數、規格書以及應用領域

揚傑MG25P12E1A IGBT模塊參數、規格書以及應用領域

發布時間:2023-07-20 15:58:21
信息摘要:
在現代電子設備中,IGBT(絕緣柵雙極型晶體管)模塊是一個至關重要的組件。揚傑MG25P12E1A IGBT模塊作為一種高性能模塊,具有廣泛應用於功率電子係統中的特點。

  在現代電子設備中,IGBT(絕緣柵雙極型晶體管)模塊是一個至關重要的組件。揚傑MG25P12E1A IGBT模塊作為一種高性能模塊,具有廣泛應用於功率電子係統中的特點。

揚傑MG25P12E1A IGBT模塊參數、規格書以及應用領域

  一、揚傑MG25P12E1A IGBT模塊規格參數

  產品類型:IGBT模塊

  產品型號:MG25P12E1A

  產品描述:1200V 25A

  產品封裝:E1A

  產品品牌:揚傑

  反向重複峰值電壓VRRM:1200V

  正向平均電流IF:25A

  飽和壓降 VCE: 1.85V

  工作溫度範圍:-40℃~+150℃


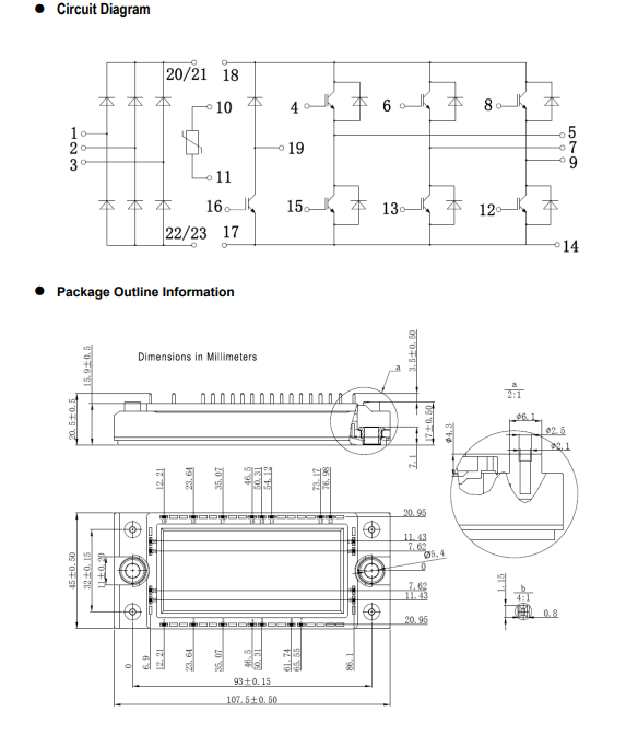
  二、揚傑MG25P12E1A IGBT模塊規格書


1

2

  三、揚傑MG25P12E1A IGBT模塊的特征

  揚傑MG25P12E1A IGBT模塊是一種雙向開關裝置,用於控製電流和電壓的傳輸,具有以下特征:

  1、高集成度:揚傑MG25P12E1A IGBT模塊采用高集成度的設計,集成了IGBT、自由輪二極管和驅動電路,簡化了電路設計和布局,提高了係統的可靠性和效率。

  2、低損耗:該模塊采用先進的IGBT技術,具有低開關損耗和導通損耗,能夠有效降低係統能耗,提高設備的效率。

  3、高耐受電壓:揚傑MG25P12E1A IGBT模塊具有較高的耐受電壓,能夠在高壓環境下穩定工作,保證設備的可靠性和安全性。

  4、快速開關速度:模塊具有快速的開關速度和短的恢複時間,可以實現快速的電流切換和反向電壓恢複,提高了係統的響應速度和穩定性。

  5、簡便的安裝和維護:揚傑MG25P12E1A IGBT模塊采用模塊化設計,安裝和維護非常方便,可節省人工和時間成本。同時,模塊還具有良好的熱傳導性能和散熱設計,能夠有效降低溫度,提高模塊的壽命和可靠性。


  四、揚傑MG25P12E1A IGBT模塊的應用領域

  揚傑MG25P12E1A IGBT模塊廣泛應用於各種功率電子係統中,特別適用於以下領域:

  1、變頻器和驅動係統:揚傑MG25P12E1A IGBT模塊在變頻器和驅動係統中起著關鍵作用。它可以用於控製和調節交流電機的速度和轉矩,使其適應不同的工作要求,廣泛應用於工業自動化、機械建築、交通運輸等領域。

  2、電力係統:該模塊可用於電力係統的電壓和電流控製,如電力變壓器、電網穩定器、電力逆變器等。它具有高穩定性和可靠性,在電力傳輸和分配過程中發揮重要作用。

  3、新能源應用:揚傑MG25P12E1A IGBT模塊可廣泛應用於新能源領域,如風能發電、太陽能發電等。它可以轉換和控製能源的輸出,實現電能的高效利用和儲存,推動可再生能源的發展。

  4、汽車電子:模塊可用於汽車電子係統中的電力控製和驅動,如電動汽車、混合動力汽車等。其高性能和高可靠性可以有效提升電動汽車的性能和續航裏程。

            

熱品推薦

特銳祥貼片陶瓷Y5U561M安規91视频在线观看 廠家直售

特銳祥貼片陶瓷Y5U561M安規91视频在线观看 廠家直售

產品類型:Y291视频在线观看 產品型號:Y2 561M/250V 產品描述:SMD-Y2-Y5U561M/AC250V 封裝:4.3*3.5*2.2 品牌:特銳祥 封裝/外殼:塑料封裝 L 管腳貼片 產品應用:主要用於家用電器、充電器 規格書下載
插件固態91视频在线观看1000UF 6.3V 8* 8 免費拿樣

插件固態91视频在线观看1000UF 6.3V 8* 8 免費拿樣

產品係列:固態91视频在线观看 產品型號:1000UF 6.3V 8*8 產品描述:6.3V 8*8 品牌:FRX 產品應用:通用DC-DC調節器
長壽命彎腳 400V120UF  高品質電解91视频在线观看供應

長壽命彎腳 400V120UF  高品質電解91视频在线观看供應

產品係列:電解91视频在线观看 產品型號:長壽命電解91视频在线观看 產品描述:尺寸可定製 400uF 120V 封裝:鋁電解 品牌:NOBLE 產品應用:家用電器
X2安規91视频在线观看 335K/AC275V 腳距10mm91视频在线观看

X2安規91视频在线观看 335K/AC275V 腳距10mm91视频在线观看

產品類型:X91视频在线观看 產品型號:X2 335K/AC275V   本體寬度:13mm 本體腳距:10mm 本體厚度:8mm 品牌:特銳祥 封裝/外殼:塑料封裝 L 管腳貼片 產品應用:家用電器 規格書下載
8N65高壓mos管 場效應管SMF8N65

8N65高壓mos管 場效應管SMF8N65

產品類型:場效應管 產品型號:SMF8N65 產品描述:8A 650V TO-220F塑封 封裝:TO-220F 品牌:FRX 產品應用:高壓NPN型MOS管,高頻開關電源,高速功率開關應用。應用於電源開關、LED照明等 規格書下載
天電TD356C(T1)-G91视频APP下载IOS代替億光EL357C

天電TD356C(T1)-G91视频APP下载IOS代替億光EL357C

產品類型:91视频APP下载IOS 產品型號:TD356C(T1)-G 運轉方式:代替億光EL357C 封裝:SOP-4 品牌:天電 產品應用:主要用於手機充電器、電源適配器、LED電源等。 規格書下載
MSB40M整流橋堆  4A軟橋廠家

MSB40M整流橋堆  4A軟橋廠家

產品類型:橋堆、軟橋 產品型號:MSB40M 產品描述:4A 1000V MSB407 MSB 封裝:MSB 品牌:新邦微XBW 產品應用:主要用於手機充電器、電源適配器、LED電源等。 規格書下載
特銳祥正品 插件陶瓷Y5P151K 250V91视频在线观看

特銳祥正品 插件陶瓷Y5P151K 250V91视频在线观看

產品類型:Y291视频在线观看 產品型號:Y2 471M/250V 產品描述:SMD-Y2-Y5U471M/AC250V 封裝:4.3*3.5*2.2 品牌:特銳祥 封裝/外殼:塑料封裝 L 管腳貼片 產品應用:主要用於家用電器、充電器 規格書下載
全新原裝牛角型820uf 450V硬腳電解91视频在线观看

全新原裝牛角型820uf 450V硬腳電解91视频在线观看

產品係列:電解91视频在线观看 產品型號:牛角型電解91视频在线观看 產品描述:尺寸可定製 820uF 450V 封裝:鋁電解 品牌:NOBLE 產品應用:家用電器
肖特基二極管SS54 5A 40V SMA/SMB/SMC

肖特基二極管SS54 5A 40V SMA/SMB/SMC

產品類型:二極管 產品型號:SS54 產品描述:5A 40V 550mV@5A 產品封裝:SMA/SMB/SMC 產品品牌:新邦微 產品應用:小家電、數碼產品、電源產品及工控等 規格書下載
瞬態抑製二極管SMF5.0CA SOD-123FL

瞬態抑製二極管SMF5.0CA SOD-123FL

產品類型:TVS二極管 產品型號:SMF5.0CA 產品描述:4.6*1.5*2.9 產品封裝:SOD-123FL 產品品牌:新邦微XBW 產品應用:主要應用於數碼產品、傳感器、變速器、工控回路、續電器、接觸器噪音的抑製等各個領域
貼片穩壓二極管BZX584C6V8 6.8V SOD-523

貼片穩壓二極管BZX584C6V8 6.8V SOD-523

產品類型:塑封穩壓二極管 產品型號:BZX584C6V8 產品描述:6.8V 絲印Z5 封裝:SOD-523 品牌:星海 產品應用:由於具有穩壓作用,廣泛用在穩壓電源、電子點火器、直流電平平移、限幅電路、過壓保護電路、補償電路等當中。 規格書下載
1N4148W開關二極管 新邦微原廠直銷

1N4148W開關二極管 新邦微原廠直銷

產品類型:二極管 產品型號:1N4148W 產品描述:75V 0.15A T4 SOT-23 封裝:SOT-23 品牌:新邦微XBW 產品應用:超高速開關應用。應用廣泛。應用於電子設備、數碼、通訊等。 規格書下載
BAV70貼片二極管 新邦微高速開關二極管

BAV70貼片二極管 新邦微高速開關二極管

產品類型:二極管 產品型號:BAV70 產品描述:75V 0.15A T4 封裝:SOT-23 品牌:新邦微XBW 產品應用:超高速開關應用。應用廣泛。應用於電子設備、數碼、通訊等。 規格書下載
BAV99開關二極管 新邦微100%原裝正品

BAV99開關二極管 新邦微100%原裝正品

產品類型:二極管 產品型號:BAV99 產品描述:75V 0.15A T4 產品封裝:SOT-23 產品品牌:新邦微XBW 產品應用:超高速開關應用。應用廣泛。應用於電子設備、數碼、通訊等。 規格書下載
新邦微MMBD4148CA開關二極管

新邦微MMBD4148CA開關二極管

產品類型:二極管 產品型號:MMBD4148CA 產品描述:75V 0.2A A1 產品封裝:SOT-23 產品品牌:新邦微XBW 產品應用:超高速開關應用。應用廣泛。應用於電子設備、數碼、通訊等。 規格書下載
新邦微BAW56原裝現貨貼片開關二極管

新邦微BAW56原裝現貨貼片開關二極管

產品類型:二極管 產品型號:BAW56 產品描述:75V 0.215A A7 產品封裝:SOT-23 產品品牌:新邦微XBW 產品應用:超高速開關應用。應用廣泛。應用於電子設備、數碼、通訊等。 規格書下載
SMA封裝 新邦微貼UF1M片二極管

SMA封裝 新邦微貼UF1M片二極管

產品類型:快恢複二極管 產品型號:UF1M 封裝:SMA 品牌:新邦微XBW 產品應用:塑料封裝型通用矽材料。廣泛應用於各種交流變直流的整流電路中。也用於橋式整流電路。 規格書下載
新邦微RS2M貼片快恢複二極管 廠家直售

新邦微RS2M貼片快恢複二極管 廠家直售

產品類型:二極管 產品型號:RS2M 產品描述:2A 1000V  封裝:SMA 品牌:新邦微XBW 產品應用:廣泛應用於開關電源、LED電源、變頻器、驅動器等電路 規格書下載
新邦微SMB封裝 FR1M快恢複二極管高質價優

新邦微SMB封裝 FR1M快恢複二極管高質價優

產品類型:二極管 產品型號:FR1M 產品描述:1A 1000V FR1M SMB 封裝:SMA 品牌:新邦微XBW 產品應用:廣泛應用於開關電源、LED電源、變頻器、驅動器等電路 規格書下載
新邦微US1M快恢複二極管

新邦微US1M快恢複二極管

產品類型:快恢複二極管 產品型號:US1M 產品描述:1A 1000V 封裝:SMA 品牌:新邦微XBW 產品應用:廣泛應用於開關電源、LED電源、變頻器、驅動器等電路 規格書下載
新邦微RS1M貼片二極管 O元拿樣

新邦微RS1M貼片二極管 O元拿樣

產品類型:二極管 產品型號:RS1M 封裝:SMA 品牌:新邦微XBW 產品應用:廣泛應用於開關電源、LED電源、變頻器、驅動器等電路 規格書下載
新邦微M7整流二極管 SMA封裝廠家直售

新邦微M7整流二極管 SMA封裝廠家直售

產品類型:整流二極管 產品型號:M7 封裝:SMA 品牌:新邦微XBW 產品應用:塑料封裝型通用矽材料。廣泛應用於各種交流變直流的整流電路中。也用於橋式整流電路。 規格書下載
新邦微SOD-123FL封裝 1N4007W整流二極管

新邦微SOD-123FL封裝 1N4007W整流二極管

產品類型:二極管 產品型號:1N4007W 封裝:SOD-123FL 品牌:新邦微XBW 產品應用:塑料封裝型通用矽材料。廣泛應用於各種交流變直流的整流電路中。也用於橋式整流電路。 規格書下載
新邦微1N5399整流二極管 高質價優

新邦微1N5399整流二極管 高質價優

產品類型:二極管 產品型號:1N5399 產品描述:1.5A 1000V DO-15 封裝:DO-15 品牌:新邦微XBW 產品應用:塑料封裝型通用矽材料。廣泛應用於各種交流變直流的整流電路中。也用於橋式整流電路。 規格書下載
新邦微1N4007整流二極管 原裝正品

新邦微1N4007整流二極管 原裝正品

產品類型:二極管 產品型號:1N4007 產品描述:1A 1000V DO-41 封裝:DO-41 品牌:新邦微XBW 產品應用:塑料封裝型通用矽材料。廣泛應用於各種交流變直流的整流電路中。也用於橋式整流電路。 規格書下載
新邦微1N5408整流二極管 DO-41現貨速發

新邦微1N5408整流二極管 DO-41現貨速發

產品類型:二極管 產品型號:1N4008 產品描述:1A 1000V DO-41 封裝:DO-41 品牌:新邦微XBW 產品應用:塑料封裝型通用矽材料。廣泛應用於各種交流變直流的整流電路中。也用於橋式整流電路。 規格書下載
肖特基貼片二極管1N5819W SOD-123

肖特基貼片二極管1N5819W SOD-123

產品類型:二極管 產品型號:1N5819W 產品描述:1A 40V  絲印SL 封裝:SOD-123 品牌:新邦微XBW 產品應用:用於低壓、高頻逆變器;自由轉動和極性保護應用 規格書下載

聯係91视频免费播放

  • 電話:138-2353-9691
  • QQ:397540463
  • 郵箱:397540463@qq.com
  • 地址:深圳市寶安區西鄉大道302號金源商務大廈B座301
網站地圖